Unibody Threaded Ball Valves  ★★★★
  • B10
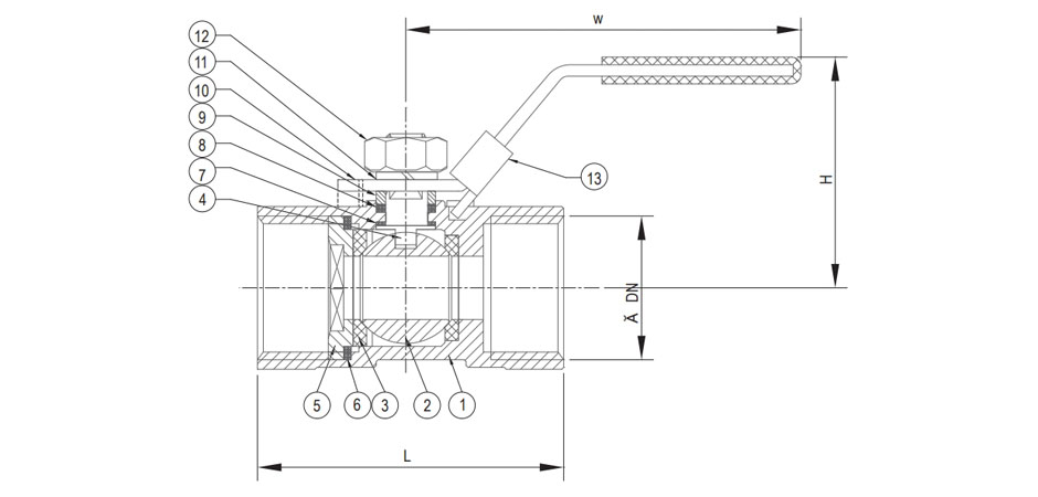
  • Series B10 Unibody threaded ball valve is reduced bore designed in one piece body and suitable for shutoff of various medium without much dirt such as air, gas, water, oil and liquids.

    FEATURES

    • One piece compact design of body Reduced bore
    • nvestment stainless steel casting with meticulous surface
    • Blow-out-proof stem
    • Pure PTFE seat




    ConnectionThreaded BSPP, Alternative NPT, BSPT
    Nominal diameter1/4"-2"
    Pressure ratingPN63
    Temperature range-20°C to +200°C
    OperationHand lever with lockable device


    No.Part nameMaterial
    1BodyCF8
    2BallSS304
    3SeatPTFE
    4StemSS304
    5CapCF8
    6Body gasketPTFE
    7Thrust washerPTFE
    8Stem packingPTFE
    9Gland nutSS304
    10Handle leverSS304
    11Nut washerSS304
    12NutSS304
    13Locking deviceSS304


    SIZEdHLWWT(kg)
    DNINCH
    101/4"53640710.2
    123/8"73845810.2
    151/2"94256.51110.3
    203/4"12.546591110.4
    251"1549711140.5
    321 1/4"2054781141
    401 1/2"2562831581.5
    502"32691001582